产品标准

  

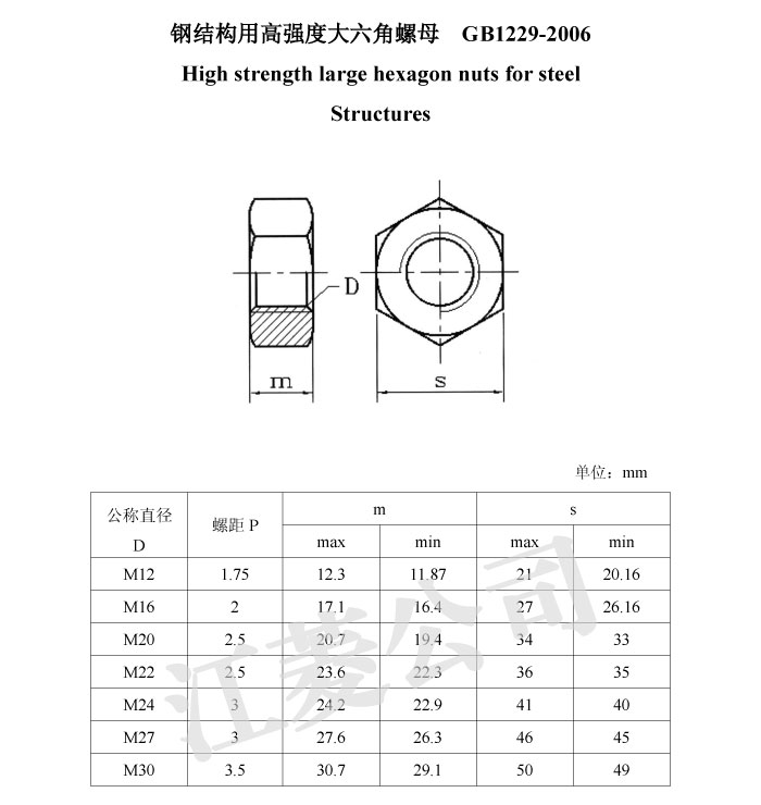
钢结构用高强度大六角螺母GB1229-2006

点击数:15162015-07-29 15:15:45 来源: 邯郸市永年区江菱机械制造有限公司-螺栓-螺母-牙条-膨胀栓生产厂家

【责任编辑:(Top) 返回页面顶端

Copyright © 2015 邯郸市永年区江菱机械制造有限公司 All rights reserved.
销售一部:0310-6711660 ,15324009788微信同步 QQ:814849630 邮箱:q814849630
厂址:河北省永年县西苏乡孔村工业区 邮编:057150 工厂电话:0310-6959868 13513206660   

技术支持:网加思维    站点地图